K

I want to make my own safety equipment diagram for crew briefing. Is there a blank document?

Published on 04/14/2026

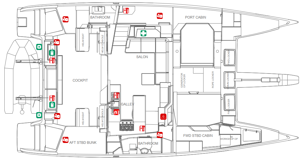
Every boat is different, and all skippers have different safety equipment onboard. What's common across all boats however, is the responsibilty to make sure that your crew / guests onboard are appropriately briefed on where that safety equipent is located. 

 

 

The below layout documents are for owners to be able to customise their safety equipment locations, making for an easier briefing onboard. 

 

 

Was this page helpful?

We use this feedback to improve our documentation.

Thank you!
Thank you for your feedback!

Service and Support Enquiry

For service, warranty, maintainance or repair enquiries related to your Seawind catamaran.

First name *

Last name *

Email *

Phone number

Leave us a message

This content is only available to users
with Owner Access

• Please log in to view the content of this topic if you have received an account from us via email

• Or register and wait for information from us